型 號:Crosby G2150D弓形卸扣
規 格:0.5T~85T
公司名稱:美國crosby科索比
保質周期:12個月
價 格(≤ 1) ¥電議 /臺
優惠價格(≥ 5):電議
?
?
Crosby G2150D弓形卸扣優勢
1、Crosby?G2150D弓形卸扣屬于螺栓型鉤鏈卸扣,薄六角頭螺栓—開口銷螺母。
每一個鍛件經過調質處理,使Crosby?G2150D弓形卸扣具有很高的韌性和足夠的強度。
2、Crosby?G2150D弓形卸扣的C型部位均經過熱浸鍍鋅處理,抗腐蝕能力強,栓均為紅色合金鋼材質。
3、Crosby?G2150D弓形卸扣的85T大規格載荷,逐個經過驗證測試,使用安全。
4、美國crosby品牌產品均經過額定疲勞強度測試與抗沖擊性能測試認證,更關鍵的是美國crosby產品的材料均具有可追蹤性,確保每一個產品的質量。
5、紅色合金鋼栓??是?美國Crosby?原廠產品的質量標志。
6、Crosby G2150D弓形卸扣用于電力、冶金、石油、機械、鐵路、化工、港口、礦山、建筑等各行各業
7、Crosby G2150D弓形卸扣規格0.5T~85T
8、凡客戶從我公司訂購的該品牌產品,如收到貨物時發現有假貨、仿貨、拆件貨均以產品貨值的100倍金額賠償!
![]()

??
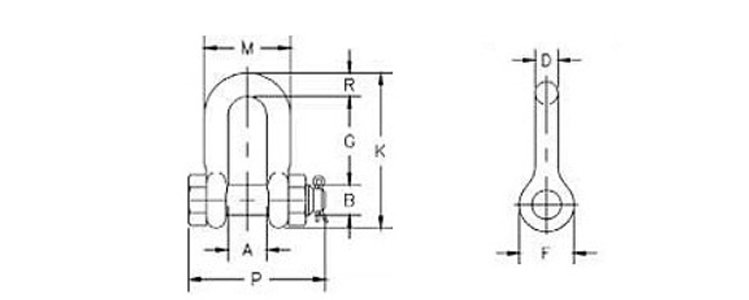
溫馨提示:由于?Crosby G2150D弓形卸扣尺寸產品不斷升級,產品參數變動恕不另行通知,以實物為準。
![]()
Crosby G2150D弓形卸扣屬于美國crosby科索比,產品保質周期為12個月,在正常使用情況下保質期內出現任何質量問題免費調換,非質量問題收費維修。更多產品參考:卸扣