型 號:DUWS型DAIKI搬運小坦克
規 格:2噸-5噸DAIKI搬運小坦克
公司名稱:日本DAIKI搬運小坦克
保質周期:12
價 格(≤ 1) ¥電議 /臺
優惠價格(≥ 5):電議


DAIKI DUWS型搬運小坦克介紹:
◆DAIKI DUWS型搬運小坦克的承載板可前后傾斜,可用于凹凸不平的地面,屬于越障礙搬運小坦克.
◆DUWS型搬運小坦克采用聚氨酯搬運坦克輪,對地面沒有損害,載重能力強,耐磨損,且搬運摩擦阻力小,搬運順暢,省力.
◆DAIKI?DUWS型搬運小坦克本體高度低,整體采用低床設計,適合狹小空間使用.
【相關產品介紹】日本DAIKI搬運小坦克中有一款越障礙搬運小坦克–DUWS-S型DAIKI搬運小坦克,額定載荷為10噸,詳情:http://m.hk-precisions.com.cn/zxbyxtk/188.html

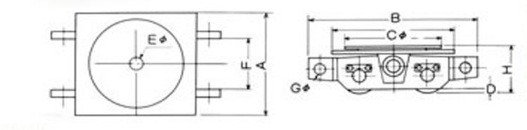
DAIKI DUWS型搬運小坦克尺寸圖:

?? ???? ???? ???? ???? ???? ???? ???? ?? ?? ???? ???? ???? ???? ???? ???? ???? ???? ???? ???? ???? ?
|
型號 |
載荷 |
滑輪 |
重量 |
A |
B |
φC |
D |
E |
F |
φG |
H |
|
DUWS-2 |
2T |
60×80×4 |
16 |
230 |
300 |
150 |
10 |
M16 |
114 |
23 |
95 |
|
DUWS-3 |
3T |
80×80×4 |
18 |
230 |
348 |
200 |
15 |
M20 |
114 |
23 |
105 |
|
DUWS-5 |
5T |
100×125×4 |
39 |
320 |
394 |
240 |
18 |
M20 |
114 |
23 |
128 |
注:由于產品不斷改良,當外形與參數變更時,均以實物為主,想要了解更多產品詳情可電話聯系我們.

DAIKI DUWS型搬運小坦克為日本原裝進口產品,保質1年,我公司承諾凡是客戶在我公司定購的進口類產品均為原裝正品,絕不存在拆件貨,換件貨,假冒品牌產品,凡客戶從我公司訂購日本DAIKI產品如收到貨物時發現有拆件貨,換件貨,假冒、假貨仿貨均以100倍金額賠償。